|
|
|
|
|
|
|
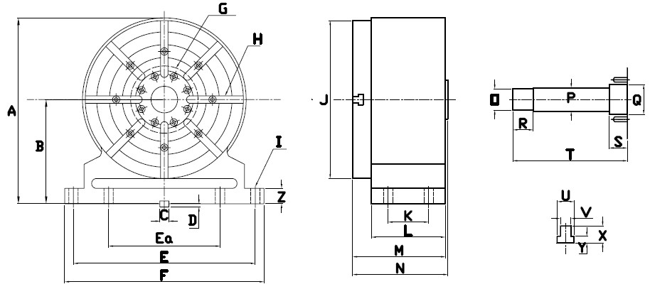
Rotary Tailstock (Hydraulic lock) |
|
|
|
|
 |
| |
|
單位:mm |
|
Model |
Lock System |
Table Diameter |
Center height |
Clamping force |
Net Weight |
|
YDT-135 |
pneumatic 5~8 kg/cm2 |
Φ 200 mm |
135
mm |
16
Kgf/m |
22
Kg |
|
YDT-160AP |
pneumatic 5~8 kg/cm2 |
Φ 200 mm |
160 mm |
16
Kgf/m |
25
Kg |
|
YDT-160P |
pneumatic 5~8 kg/cm2 |
Φ 250 mm |
160 mm |
45
Kgf/m |
70
Kg |
|
YDT-160AH |
hydraulic 35 kg/cm2 |
Φ 200 mm |
160 mm |
30
Kgf/m |
25
Kg |
|
YDT-160H |
hydraulic 35 kg/cm2 |
Φ 250 mm |
160 mm |
50
Kgf/m |
70
Kg |
|
YDT-210 |
hydraulic 35 kg/cm2 |
Φ 320 mm |
210 mm |
85
Kgf/m |
115
Kg |
|
YDT-255A |
hydraulic 35 kg/cm2 |
Φ 320 mm |
255 mm |
85
Kgf/m |
130
Kg |
|
|
|
 |
|
|
|
Model |
DT-135 |
DT-160A P/H |
DT-160 P/H |
DT-210 |
DT-255A |
|
A |
220 |
245 |
295 |
375 |
420 |
|
B |
135 |
160 |
160 |
210 |
255 |
|
C |
14 |
18 |
18 |
18 |
18 |
|
D |
7 |
7 |
7 |
7 |
7 |
|
E |
200 |
200 |
200 |
360 |
360 |
|
Ea |
130 |
130 |
- |
- |
- |
|
F |
245 |
245 |
270 |
400 |
400 |
|
G |
Φ
80 |
Φ
80 |
Φ
111 |
Φ
102 |
Φ
102 |
|
H |
4 |
4 |
4 |
8 |
8 |
|
I |
4-Φ
14 |
4-Φ 18 |
4-Φ 18 |
4-Φ 18 |
4-Φ 18 |
|
J |
Φ
170 |
Φ
170 |
Φ
255 |
Φ
320 |
Φ
320 |
|
K |
69 |
69 |
84 |
85 |
85 |
|
L |
95 |
95 |
124 |
153 |
153 |
|
M |
101 |
101 |
171 |
194 |
194 |
|
N |
- |
- |
175 |
- |
- |
|
O |
Φ
50 |
Φ
50 |
Φ
80 |
Φ
40 |
Φ
40 |
|
P |
Φ
20 |
Φ
20 |
Φ
55 |
Φ
42 |
Φ
42 |
|
Q |
Φ
20 |
Φ
20 |
Φ
55 |
Φ
50 |
Φ
50 |
|
R |
24 |
24 |
65 |
35 |
35 |
|
S |
- |
- |
- |
30 |
30 |
|
T |
101 |
101 |
175 |
192 |
192 |
|
U |
19 |
19 |
19 |
23 |
23 |
|
V |
12 |
12 |
12 |
14 |
14 |
|
X |
19 |
19 |
19 |
23 |
23 |
|
Y |
8 |
8 |
8 |
9 |
9 |
|
Z |
25 |
25 |
25 |
30 |
30 |
|
|
|
|