|
|
|
|
|
|
|
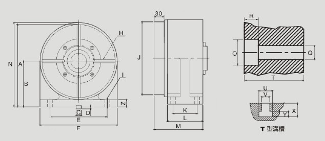
Hydraulic Tailstock(Pneumatic Lock) |
|
|
|
|
 |
| |
|
單位:mm |
|
Model |
YFT-200P |
YFT-200H |
YFT-250 |
YFT-320 |
|
Lock System |
Hydraulic
6 kgf/cm2 |
Hydraulic
15 kgf/cm2 |
Hydraulic
50 kgf/cm2 |
Hydraulic
85 kgf/cm2 |
|
Table Diameter |
Φ200 |
Φ200 |
Φ250 |
Φ320 |
|
Center height |
160 |
160 |
160 |
210 |
|
Load Capacity |
100 |
100 |
100 |
100 |
|
Net Weight |
28 |
28 |
70 |
115 |
|
A |
235 |
260 |
235 |
260 |
|
B |
160 |
160 |
160 |
160 |
|
C |
18 |
18 |
18 |
18 |
|
D |
7 |
7 |
7 |
7 |
|
E |
200 |
200 |
200 |
200 |
|
F |
300 |
300 |
300 |
300 |
|
H |
4 |
4 |
4 |
4 |
|
I |
4-Φ18 |
4-Φ18 |
4-Φ18 |
4-Φ18 |
|
J |
Φ200 |
Φ200 |
Φ200 |
Φ200 |
|
K |
66 |
66 |
66 |
66 |
|
L |
96 |
96 |
96 |
96 |
|
M |
102 |
102 |
102 |
102 |
|
N |
230 |
230 |
230 |
230 |
|
O |
Φ50 |
Φ50 |
Φ50 |
Φ50 |
|
Q |
Φ20 |
Φ20 |
Φ20 |
Φ20 |
|
R |
25 |
25 |
25 |
25 |
|
T |
103 |
103 |
103 |
103 |
|
U |
19 |
19 |
19 |
19 |
|
V |
12 |
12 |
12 |
12 |
|
X |
20 |
20 |
20 |
20 |
|
Y |
9 |
9 |
9 |
9 |
|
Z |
30 |
30 |
30 |
30 |
|
|
|
 |
|
|
|