|
Model |
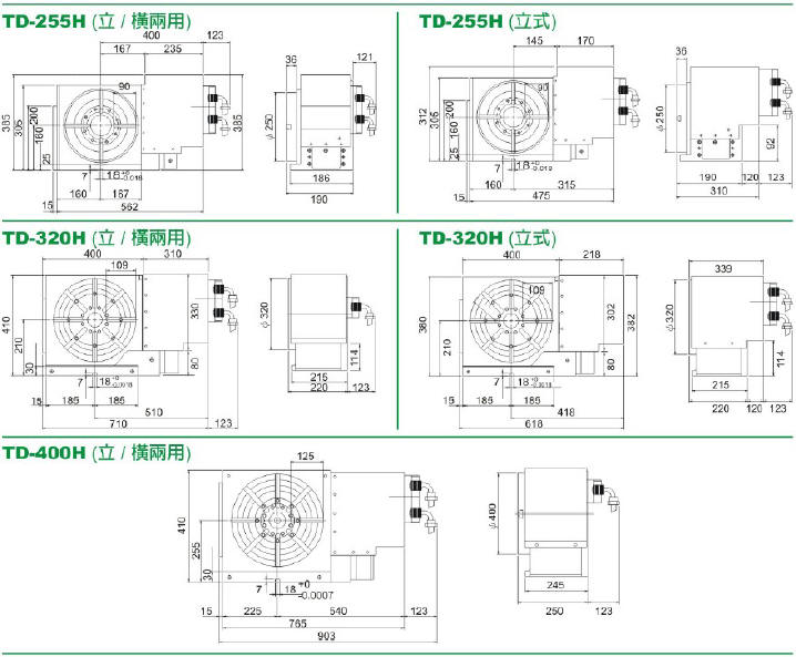
YTD-255H(-V) |
YTD-320H(-V) |
YTD-400H(-V) |
|
Stand method |
Vertical and Horizontal , (-v) only for vertical |
|
Lock System |
35 kg/cm2 |
|
Table dimension |
Φ250
mm |
Φ320
mm |
Φ400
mm |
|
Table Center Hole
Diameter |
Φ43
mm |
Φ43
mm |
Φ43
mm |
|
Table Center Hole
Diameter |
Φ50
H7 mm |
Φ40
H7 mm |
Φ40
H7 mm |
|
Center Height of
Vertical Position |
160
mm |
210
mm |
255
mm |
|
Table T-Slot
Width |
D12
H7 mm |
D14
H7 mm |
D14
H7 mm |
|
Standard guide
block Width |
D18
H7 mm |
D18
H7 mm |
D18
H7 mm |
|
Servo Motor
(FANUC series) |
α6
/α8i |
α12
/α12i |
α12
/α12i |
|
Servo Motor
(MITSUBISHI series) |
HF103T/
HC152(102) |
HF203T/
HC202 |
HF203T/
HC202 |
|
Gear Ratio |
1/180 |
1/180 |
1/180 |
|
Total speed
(Motor 2000rpm)
Rotation Speed |
11.1(0.44) |
11.1(0.44) |
11.1(0.44) |
|
Total speed
(Motor 3000rpm)
Rotation Speed |
16.7(0.66) |
16.7(0.66) |
16.7(0.66) |
| Minimum input increment |
0.001° |
0.001° |
0.001° |
|
Indexing accuracy
(accumulative ) |
15 |
15 |
15 |
| Repetitive accuracy |
± 4" |
± 4" |
± 4" |
|
Clamping force |
50
kgf/m |
85
kgf/m |
180
kgf/m |
|
Clamping Torque
force |
48
kgf/m |
78
kgf/m |
172 kgf/m |
|
Vertical Load Capacity
(Tailstock used) |
100
kg / 250 kg |
150
kg / 150 kg |
200
kg / 500 kg |
| Horizontal Load Capacity |
250
kg |
350
kg |
500
kg |
|
Net Weight
(Non-motor Weight) |
105
kg |
175
kg |
250
kg |